Чертежи квартиры - Нагатинский проезд, д. 11, корп. 2
Комментирует прораб объекта, :
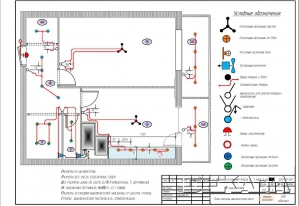
Предложено оргининальное решение по ораганизации слива воды в санузле. В центре санузла сделано сливное отверстие канализации и вода, попадающая на пол сама стекает в канализацию. Для этого был поднят уровень стяжки в санузле относительно уровня пола в квартире. Это позволило установить канализациооный трап скрытой установки. Далее от сливного отверстия вида по системе канализационных труб поступает в общий стояк.






